
深圳市榴莲视频黄色在线观看科实业有限公司
联系人:向经理 135-1032-9527
邮箱:market@topsmt.com
网址:www.dskc020.com
地址:深圳市宝安区福海街道翰宇湾区创新港4号楼201
HELLER回流焊2043MK5
基本规格
无铅应用
简易维护保养
节能省氮
标配Cpk软件
HELLER回流焊是进口回流焊性价比最高的回流焊,HELLER回流焊节能高效。


2043 MK5系统可通过低的delta Ts,实现高的再现性。 Mark 5 回流焊炉系统的突破使客户的购置成本进一步降低。 Heller新型加热和冷却的改进将减少40%氮气消耗和电力消耗。 MK5 系列不仅是好的回流焊系统,更具有业内好的综合价值!为您的利益而创新。
Heller发明了无水/无过滤助焊剂收集系统,并因此获得业界著名的Vision创新奖。 但更重要的是,这个发明使得维护保养周期从几周延长到数月。 能量管理方面的其他突破有利于Heller的客户在保持其可持续性指导方针的同时,做到对环境保护负责。
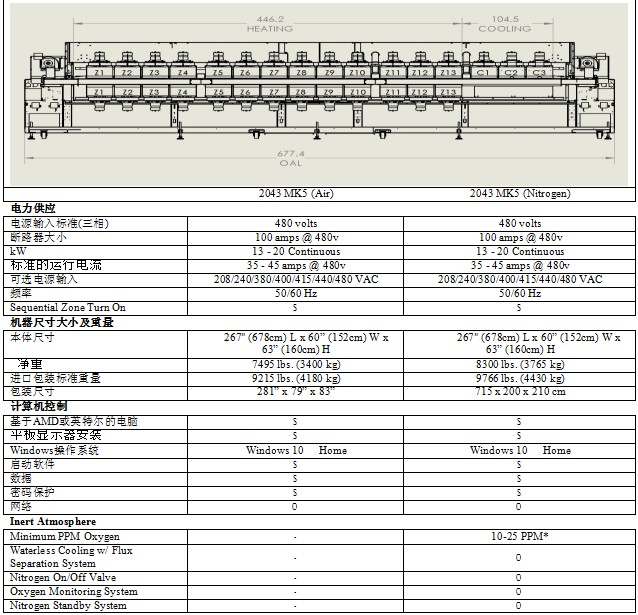
技术参数:

添加微信好友

联系人:向经理 135-1032-9527
邮箱:market@topsmt.com
地址:深圳市宝安区福海街道翰宇湾区创新港4号楼201
网址:www.dskc020.com